1. Dashboard
  2. Artikel
  3. Mitglieder
    1. Letzte Aktivitäten
    2. Benutzer online
    3. Team
    4. Mitgliedersuche
  4. Lexikon
  5. Forum
    1. Unerledigte Themen
  • Anmelden
  • Registrieren
  • Suche
Wissenswertes
  • Alles
  • Wissenswertes
  • Forum
  • Lexikon
  • Artikel
  • Seiten
  • Erweiterte Suche
  1. plexmod | Forum
  2. Lexikon
  3. Wissenswertes

LED-Treiber

  • DevilX
  • 15. März 2016 17:54
  • 16. März 2016 21:20
  • 3.694 mal gelesen
  • Ein LED-Treiber dient, wie der name schon andeutet, dazu, eine Anzahl von LEDs mit der für sie richtigen Strom- und Spannungsmenge zu versorgen.

    ==LED-Treiber==

    Ein LED-Treiber dient, wie der name schon andeutet, dazu, eine Anzahl von LEDs mit der für sie richtigen Strom- und Spannungsmenge zu versorgen. Der hier vorgestellte Treiber basiert auf dem IC (Integrated Circuit / Integrierter Schaltkreis) LM317. Der LM317 ist ein einstellbarer Spannungsregler, hat nur 3 Pins und ist somit auch für Anfänger leicht zu verstehen und zu verbauen.

    1 Die Bauteile


    Benötigt wird nur:

    • 1 IC LM317
    • 1 - 2 Widerstände, Größe nach Verwendung
    • optional 1 - 2 Kondensatoren

    Den LM317 gibt es in verschiedenen Größen beziehungsweise Bauarten (package genannt). Sie unterscheiden sich durch ihre Bedrahtung, Ausstattung mit Kühlkörper und den maximalen Strom.
    Das IC hat nur 3 Anschlüsse: In, Adjust und Out.

    2 Funktionsweise


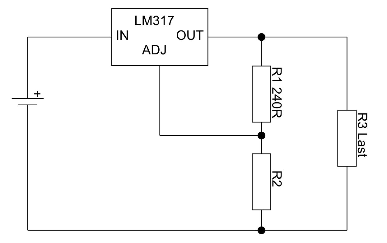
    [attachsubtitle='10920','right','Schaltplan [lexicon']LED[/lexicon]-Treiber][/attachsubtitle]Das Bild rechts zeigt den grundlegenden Schaltplan, um den LM317 als Spannungsquelle zu betreiben. Ihn als Konstantstromquelle zu verwenden, ist auch möglich; dazu später mehr.

    Der LM317 regelt sich nun automatisch so, dass über Widerstand R1 zwischen OUT und ADJUST eine Spannung U1 von +1,25 Volt anliegt. Genauer gesagt, hat der OUT-Pin 1,25 Volt mehr Potential gegenüber Masse als der ADJUST-Pin. Im Datenblatt des IC sind 240 Ohm für R1 vorgeschlagen, das ungefähr einzuhalten ist sicherlich keine schlechte Idee. 220 Ohm oder etwas mehr als 240 sind aber auch ok - die Spannung U1 bleibt schließlich gleich.
    Aber wie stellen wir die Schaltung jetzt so ein, dass wir unsere gewünschte Spannung bekommen? Hierfür braucht es 3 physikalische Prinzipien.
    Ohmsches GesetzU = R*I oder Spannung = Widerstand * Stromumgestellt auch R = U / ISerienschaltungIn einer Serienschaltung addieren sich die Widerstände und Spannungen, der Strom bleibt gleich.ParallelschaltungIn einer Parallelschaltung addieren sich die Ströme, die Spannung ist in jedem Zweig gleich.Da unser IC nun die Spannung über R1 auf 1,25 Volt regelt, fliesst dort laut Ohmschem Gesetz ein Strom von 5,2 mA (Richtung Masse, nicht "in" ADJ). Um die Spannung zwischen OUT und Masse zu regeln, beziehungsweise über R3, unsere Nutzlast, kommt R2 ins Spiel. Auf dem Weg Richtung Masse fliesst unser Strom von 5,2 mA auch durch R2. Da laut Ohmschem Gesetz dort aber eine gewisse Spannung abfallen muss (bei R2 = 1kR 5,2 Volt), fällt die Spannung über R1 ab. Da regelt der IC gegen und hebt das Potential von OUT und ADJ (wobei die Differenz von 1,25 Volt erhalten bleibt / erreicht werden soll), bis es 5,2 Volt höher ist beziehungsweise die Spannung U1 über R1 wieder 1,25 V beträgt. Nach wie vor fliesst durch R1 ein Strom von 5,2 mA bei einer Spannung von 1,25 Volt, doch durch R2 fliessen ebenso 5,2 mA - bei einer Spannung U2 über R2 von 5,2 Volt.
    Wenn man sich nun die rechte Seite genauer ansieht, erkennt man, dass die Widerstände (R1 und R2) mit (R3) eine Parallelschaltung ergeben. Das bedeutet, dass die Spannung U3 über R3 gleich der Spannung U1 + U2 über R1 + R2 ist / sein muss. U1 +U2 = 1,25 V + 5,2 V = 6,65 V. Also ist U3 über R3 auch gleich 6,65 V. Eine Last, die wir hier anschliessen, bekommt immer eine Spannung von 6,65 Volt, egal, was für ein Strom hier fliesst. Wird der Strom Iges jedoch zu groß, würde das IC durchbrennen beziehungsweise müsste besser gekühlt werden. Nebenbei verträgt der LM317 Temperaturen zwischen 0 und 100 °C und kann Ströme bis zu 1,5 A liefern (je nach Baugröße und Kühlung). Die Eingangsspannung darf nicht über 37 Volt liegen.

    3 Aufbau


    Den Treiber nach dem Schaltplan aufbauen. Hierbei spielt die Anzahl der seriell geschalteten LEDs eine große Rolle, multipliziert mit der pro LED benötigten Spannung ergibt sie die Spannung, auf die wir unseren Treiber mit R2 einstellen müssen. [Formel einfügen] Beispiel: Haben wir 5 LEDs (oder auch 10, wobei jeweils 5 parallel geschaltet werden usw) à 3,2 Volt stellen wir den Treiber auf 16 Volt ein (5 * 3,2 V) und ersetzen den 'virtuellen' Widerstand R3 durch die LEDs. Wenn wir alles richtig gemacht haben, leuchten sie mit genau der Spannung, die für sie am besten ist.

    Bilder

    • Lm317.JPG
      • 48,97 kB
      • 1.244 × 782
    • LED-Treiber

Teilen

  • Vorheriger Eintrag Cool 'n' Quiet
  • Nächster Eintrag Wärmeleitpaste
  • Änderungsprotokoll
  • PDF

Inhaltsverzeichnis

  • 1 Die Bauteile
  • 2 Funktionsweise
  • 3 Aufbau
  1. Datenschutzerklärung
  2. Impressum
Lexikon, entwickelt von www.viecode.com
Community-Software: WoltLab Suite™